Référence: 38-40176102
Marque: SELEC'XION PRO
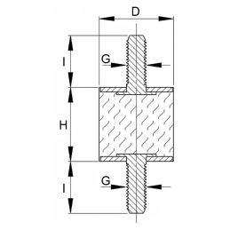
PLOTS TYPE FEMELLE FEMELLE FF 16/15
PLOT CYLINDRIQUE ANTI-VIBRATOIRE
Prix
13,13 €
En stock


