DENT DE HERSE ALTERNATIVE 3 TROUS RH39AV 6303100 ESTAMPEE TYPE AMAZONE
  • DENT DE HERSE ALTERNATIVE 3 TROUS RH39AV 6303100 ESTAMPEE TYPE AMAZONE
  • DENT DE HERSE ALTERNATIVE 3 TROUS RH39AV 6303100 ESTAMPEE TYPE AMAZONE

DENT DE HERSE ALTERNATIVE 3 TROUS RH39AV 6303100 ESTAMPEE TYPE AMAZONE

38-5160086
18,22 €
TTC
Quantité

Grand stock
local_shipping Livraison prévue à partir du 29/01/2026
Description

Marque : ADAPTABLE

Gencode : 3557640213057

Poids : 1.585

Conditionnement à la vente : 1

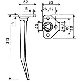
Information technique :
Ø trou (mm): 13
Epaisseur (mm): 13
Dimension boulon (mm): 12 x 80 - 12 x 45
Entraxe de fixation (mm): 37-80
Longueur (mm): 313
Largeur (mm): 82
Qté montée par machine: 2m50=5AV+20ARou 25AR|3m=7AV+24AR ou 9AV+22AR ou 31AR|4m = 9AV+32AR ou 41AR
Sens: Avant
Origine/adaptable: Adaptable
Modèle: Estampée moulée =RH39 AV
Référence OEM: 6303100
Montage sur marque: AMAZONE
Détails du produit
ADAPTABLE
38-5160086
274 Produits

Fiche technique

Largeur
82 mm
Longueur
313 mm
Famille
Dent Amazone
4 autres produits dans la même catégorie :

Les clients qui ont acheté ce produit ont aussi achetés

  • Pas de produits pour le moment

Suivez-nous sur Facebook